阻旋式料位开关的叶片是利用传动轴与离合器相接,在未接触物料时,马达保持正常运转,当叶片接触物料时,马达会停止转动,机构同时输出一接点信号而测出料位高度。

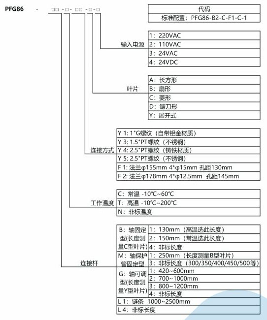
注:连接杆选了G(轴可调型),叶片只能选择Y(展开式)。
进口高品质马达、工作可靠
四档灵敏度可调、适用范围广
离合器装置保护马达
双层轴封保护,防护等级达IP65
全不锈钢旋转轴及叶片,永不生锈
工作电源可选:110VAC,220VAC,DC24V
散装固体物料位置检测:
谷物、饲料、木屑
塑料、砂石、粒状料
橡胶、烧结料、水泥生、熟料
PFG86Mini:微型
PFG86:标准螺纹连接
PFG86F:标准法兰连接
PFG86M:轴保护管型
PFG86G:轴长可调型
PFG86FT:高温法兰型
PFG86MT:高温轴保护管型
PFG86GT:高温轴长可调型


